Résultats de recherche pour : 'dekton'

Acheter par
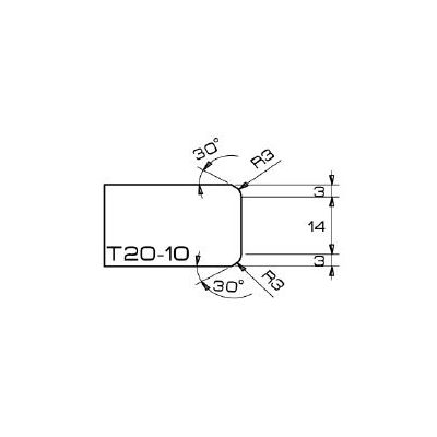
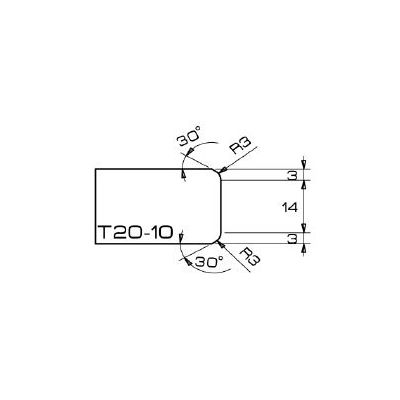
Catégorie: Façonnage épaisseur 12 & 20 mm petits diamètres